Wij gebruiken cookies om uw ervaring beter te maken. Om te voldoen aan de cookie wetgeving, vragen we uw toestemming om de cookies te plaatsen. Meer informatie.
Specificaties 
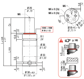
De vermelde diameters zijn in mm in volledig vlakke positie.
| SKU | HT 500 - 013 - A - T2 | 
|---|---|
| Price Group | NT | 
| Verwachte levertijd | in overleg | 
| F1p Ib | 1,738.00 | 
| Buitendiameter in inch | 1.50 | 
| Buitendiameter in mm | 38 | 
| Ib | 809.00 | 
| ~Kg | 0.32 | 
| Vo cm^{3} | 15.80 | 
| F1i daN | 653.00 | 
| L min | 62.70 | 
| F1p daN | 773.00 | 
| F1i Ib | 1,468.00 | 
| daN | 360.00 | 
| Stroke | 13.00 | 
| L | 75.70 | 
| VLGS Tolerantie | ISO 11901 | 
Why Tevema?
Waarom Inexal?
- 2 years waranty
 Standard 2 years of warranty
- Trusted brand
 Experience for over 80+ years
- Safety standards
 Our products are made to last
- Big stock
 Standard springs directly from stock

